Slim design with long mounting shaft | TD22
- Slim design with long mounting shaft
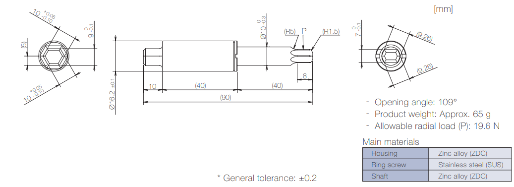
- Outer diameter of Ø 16.2 mm
- High torque (Up to 4 N・m)
- Durable for 100,000 cycles
- Wide temperature range for operation (-10°C to 40°C)
- Description
Description
Product lineup
Product information
Rotation directions of the shaft to which torque is applied

Dimensions related to mounting

Opening angle

Damping directions

Product specifications
*Find the catalog below.
Slim Design with Long Mounting Shaft TD22 in Singapore
The TD22 rotary damper features a slim design with long mounting shaft that makes it ideal for applications where depth is limited but a secure mounting connection is required. Available in Singapore from Phil Industries, the authorised TOK Inc. distributor, this damper combines a narrow profile with an extended shaft for easy press-fit or adhesive installation. Engineers in Singapore select the slim design with long mounting shaft TD22 when they need controlled rotational damping in thin-walled housings, panels, and compact enclosures.
Key Features of the Slim Design with Long Mounting Shaft TD22
The TD22 is engineered with a slender body that fits into narrow spaces where standard-diameter dampers cannot be accommodated. Its long mounting shaft provides deep engagement with the host material, ensuring a secure and stable installation. This combination of slim profile and extended shaft makes the TD22 highly versatile for thin-panel applications. The internal oil-based damping mechanism delivers smooth, consistent rotational resistance that prevents slamming and controls motion speed. Durable construction materials ensure reliable performance over thousands of cycles, and temperature-stable fluid maintains consistent torque output in the warm, humid conditions of Singapore.
Singapore Applications for the Slim Design TD22 Damper
Manufacturers in Singapore use the slim design with long mounting shaft TD22 in numerous products. Electronics companies install it in thin laptop lids, tablet covers, and portable device enclosures where space is at a premium. Consumer product designers integrate the TD22 into compact cosmetic cases, thin-profile storage containers, and slim packaging lids. Furniture makers in Singapore use this damper for thin cabinet panels, drawer fronts, and flip-up surfaces. Automotive interior suppliers specify the TD22 for slim compartment covers, sun visor mechanisms, and thin dashboard panels where the long shaft provides reliable mounting in lightweight materials.
Why Source from Phil Industries Singapore
Phil Industries is the authorised TOK distributor in Singapore, providing technical support, fast local delivery, and competitive pricing. We stock a comprehensive range of TOK rotary dampers including slim-profile models for space-constrained applications.
Order the Slim Design TD22 Rotary Damper in Singapore
To order the slim design with long mounting shaft TD22 or request a quotation, contact Phil Industries at +65 6555 1745 or visit our contact page. Browse our TOK rotary damper catalogue to compare models and select the best option for your project.










