Bidirectional rotary damper | TD136
Buy bidirectional rotary damper TD136 Singapore from Phil Industries. The TOK TD136 is an ultra-compact, bidirectional rotary damper with a mounting diameter of Ø 10 mm, ideal for industrial applications.
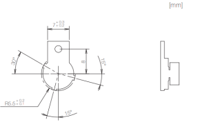
- Outer mounting diameter of Ø 10 mm (Ultra-small diameter and thin type)
- Bidirectional rotary damper
- The mounting flange corresponds to the bottom face
- Only the housing shape is different from that of the TD130
- Description
Description
Product lineup
The torque of all rotary dampers is measured at a rotational speed of 20 min-1.
Unidirectional rotary dampers are not available.
Product information

Dimensions related to mounting

Product specifications
*Find the catalog below.
Bidirectional rotary damper | TD136 in Singapore
The Bidirectional rotary damper | TD136 provides controlled rotational resistance for Singapore manufacturing applications. Available from Phil Industries, the authorised TOK distributor in Singapore.
Key Features and Benefits
Furthermore, this rotary damper delivers precise torque control for smooth operation. The compact design integrates easily into product assemblies. In addition, consistent performance ensures reliable motion control throughout the product lifecycle.
Singapore Industry Applications
Moreover, TOK rotary dampers are used across Singapore manufacturing. Automotive, electronics, and consumer product manufacturers throughout the island integrate these dampers for controlled motion. As a result, toilet seat manufacturers, laptop hinge designers, and automotive interior component producers across Singapore depend on TOK dampers.
Order From Phil Industries Singapore
To order, call +65 6555 1745. Browse our TOK rotary dampers.








