Bidirectional rotary damper | TD130
- Outer mounting diameter of Ø 10 mm (Ultra-small diameter and thin type)
- Bidirectional rotary damper
- The mounting flange corresponds to the bottom face
- Only the housing shape is different from that of the TD136
- Description
Description
Product lineup
Product information

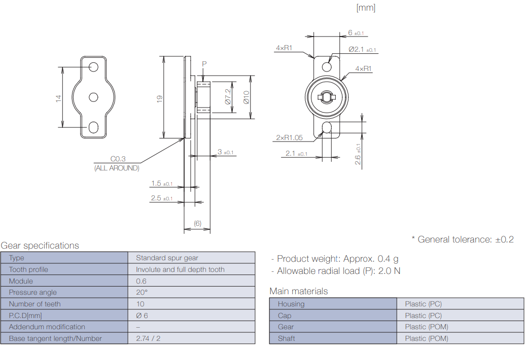
Dimensions related to mounting

Product specifications
*Find the catalog below.
Bidirectional rotary damper | TD130 in Singapore
The Bidirectional rotary damper | TD130 provides controlled rotational resistance for Singapore manufacturing applications. Available from Phil Industries, the authorised TOK distributor in Singapore.
Key Features and Benefits
Furthermore, this rotary damper delivers precise torque control for smooth operation. The compact design integrates easily into product assemblies. In addition, consistent performance ensures reliable motion control throughout the product lifecycle.
Singapore Industry Applications
Moreover, TOK rotary dampers are used across Singapore manufacturing. Automotive, electronics, and consumer product manufacturers throughout the island integrate these dampers for controlled motion. As a result, toilet seat manufacturers, laptop hinge designers, and automotive interior component producers across Singapore depend on TOK dampers.
Order From Phil Industries Singapore
To order, call +65 6555 1745. Browse our TOK rotary dampers.








