Wide opening angle | TD75
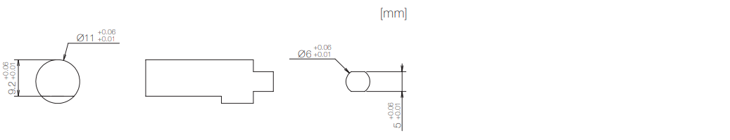
- The smallest vertical use damper (Ø 11 mm)
- Allowable opening angle of 180°
- Durable for 100,000 cycles
- Description
Description
Product lineup
Product information

Dimensions related to mounting

Opening angle

Damping directions
Rotation directions of the shaft to which torque is applied

Product specifications
*Find the catalog below.
Wide Opening Angle TD75 in Singapore
The wide opening angle TD75 is a versatile rotary damper from TOK designed for applications that require damped motion over an extended angular range. Available in Singapore from Phil Industries, the authorised TOK Inc. distributor, this damper provides smooth, controlled resistance across a wide rotation arc. Engineers in Singapore choose the wide opening angle TD75 when their mechanisms need to open broadly while maintaining consistent damping throughout the entire movement. Its reliable performance makes it a popular selection for diverse industrial and consumer product applications.
Key Features of the Wide Opening Angle TD75
The TD75 delivers consistent torque resistance over an extended rotational range, making it ideal for mechanisms that swing open beyond the typical 90-degree arc. Its oil-based damping system provides smooth deceleration that prevents slamming and reduces noise during closing. The damper is built with durable components that withstand frequent use in demanding production environments. Temperature-stable fluid ensures reliable performance across tropical conditions common in Singapore and Southeast Asia. The compact housing integrates easily into product assemblies without requiring extensive modifications to existing designs.
Singapore Applications for the Wide Opening Angle TD75
Manufacturers in Singapore use the wide opening angle TD75 in a broad range of products. Furniture designers specify it for wide-swing cabinet doors, fold-down work surfaces, and storage compartment covers. Electronics companies integrate the TD75 into equipment enclosures, large access panels, and display mounting systems. Toilet seat and bathroom fixture manufacturers rely on this damper for smooth, quiet closing action. In the automotive sector, Singapore suppliers use the wide opening angle TD75 for glove boxes, console lids, and other compartments that benefit from controlled wide-arc motion.
Why Choose Phil Industries Singapore
Phil Industries is the authorised TOK distributor in Singapore, offering expert guidance, competitive pricing, and fast delivery. We maintain comprehensive stock of TOK rotary dampers including wide-angle models like the TD75 for all your motion control needs.
Order the Wide Opening Angle TD75 in Singapore
To order the wide opening angle TD75 or request a quotation, contact Phil Industries at +65 6555 1745 or visit our contact page. Explore our full range of TOK rotary damper products to find the perfect damping solution for your application.










