Hinge type damper | TD89
- TD89 generates a torque of 10 N・m, which is the largest among our products
- The hinge type design facilitates easy mounting
- Its exterior is made of stainless steel and painted zinc alloy
- The shaft is chromate-treated to prevent rust
- Description
Description
Product lineup
Product information

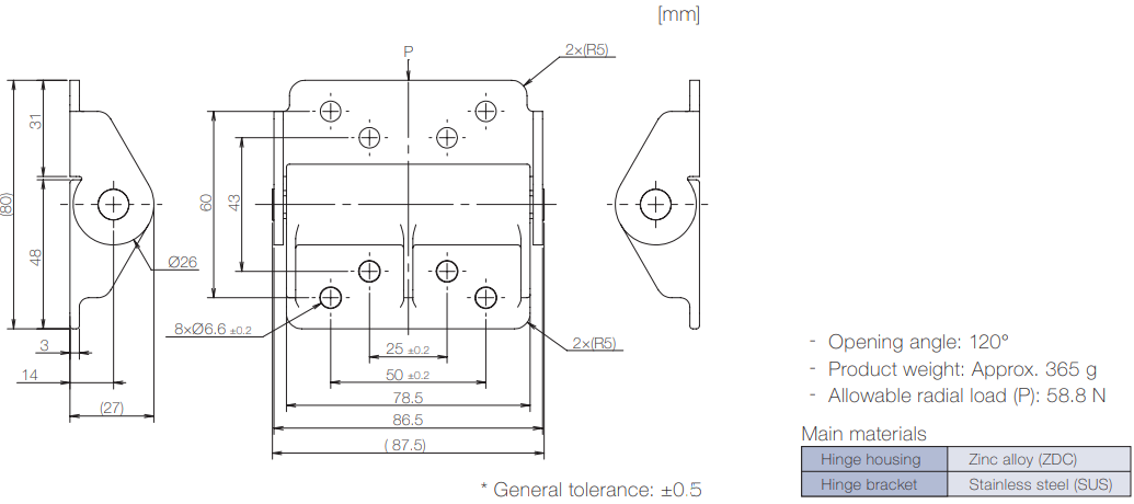
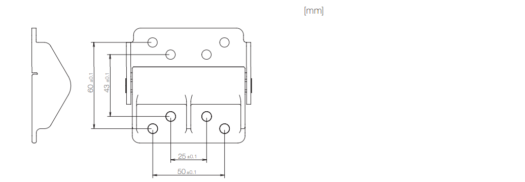
Dimensions related to mounting

Opening angle

Product specifications
*Find the catalog below.
Tailored Industrial Support with Quality Products and Expert Guidance.
Our solutions will reduce your bottle necks and improve your efficiency and productivity, contact us now and let us know how we can help you, we are always here!








