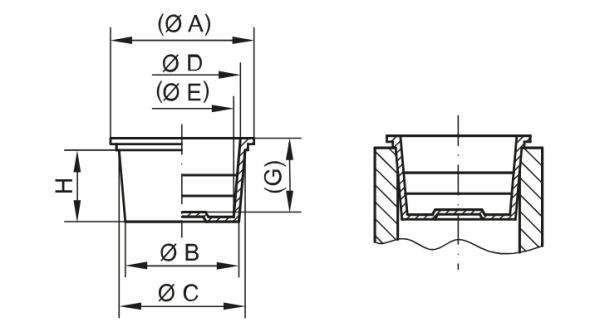
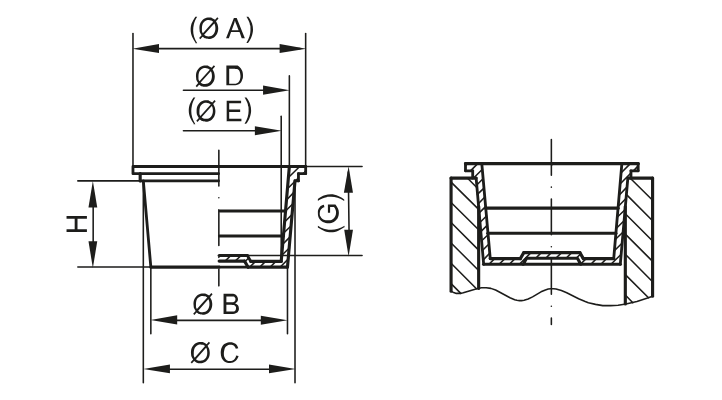
GPN 610
The GPN 610 universal protection can be used as a cap or a plug and protects bore holes and openings as well as bolts and various metric threads and pipe threads. The conical design is ideal for accommodating tolerances.
- Universal protection for internal and external protection
- Production in accordance with ISO 16232 in a specially designed cleanroom possible
- Two sustainable variants made from post-consumer recyclate available
Related Products
Tailored Industrial Support with Quality Products and Expert Guidance.
Our solutions will reduce your bottle necks and improve your efficiency and productivity, contact us now and let us know how we can help you, we are always here!













