GPN 601
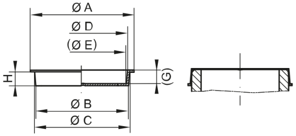
The GPN 601 thin-walled plugs can be used as a cap or plug and are suitable for the protection of external threads or to close bore holes and openings. The thin-walled design enables fast fitting and removal and low material use in production. The conical design is ideal for accommodating tolerances.
- Thin-walled plugs for internal and external protection
- Production in accordance with ISO 16232 in a specially designed cleanroom possible
Related Products
Tailored Industrial Support with Quality Products and Expert Guidance.
Our solutions will reduce your bottle necks and improve your efficiency and productivity, contact us now and let us know how we can help you, we are always here!













