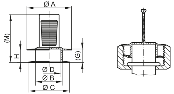
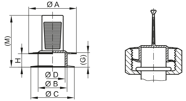
GPN 330
The GPN 330 grip plugs are suitable for the protection of bore holes and internal threads and can also be used for pipes with union nut. The ribs engage into the thread and position the union nut at the end of the pipe. The handy tab facilitates handling as well as fitting and removal. Flexible shaft ribs for accommodating large tolerances.
- Grip plugs for internal protection
Related Products
Tailored Industrial Support with Quality Products and Expert Guidance.
Our solutions will reduce your bottle necks and improve your efficiency and productivity, contact us now and let us know how we can help you, we are always here!











